Á¦Ç°¼Ò°³
Á¦Ç°¼Ò°³ > ÇØ¼ö¿ëÆßÇÁ > TDA
| ¸ðµ¨ | ÃÖ°íÀ¯·® | ÃÖ°í¾çÁ¤ | ¼ÒºñÀü·Â | Ãâ·Â | ¹«°Ô | À¯´Ï¿Â PVC ±¸°æ |
|---|---|---|---|---|---|---|
| (I/min) | (m) | (kW) | (kW) | (kg) | (mm) | |
| TDA35 | 150 | 7.5 | 0.30 | 0.20 | 5.8 | 40(¿Ü°æ 48.5) ¼±Åûç¾ç |
| TDA50 | 180 | 10 | 0.37 | 0.25 | 6.6 | |
| TDA75 | 250 | 12 | 0.55 | 0.37 | 7.8 | |
| TDA100 | 300 | 12 | 0.75 | 0.55 | 8.3 | |
| TDA120 | 335 | 13 | 1.1 | 0.75 | 9.0 | |
| TDA150 | 380 | 16 | 1.2 | 0.9 | 11.4 | |
| TDA200 | 450 | 16 | 1.5 | 1.1 | 12.7 |
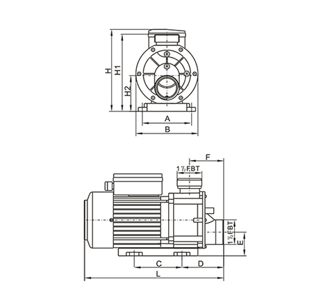
| ¸ðµ¨ | »çÀÌÁî(mm) | |||||||||
|---|---|---|---|---|---|---|---|---|---|---|
| A | B | C | D | E | F | L | H | H1 | H2 | |
| TDA35 | 100 | 153 | 88 | 106 | 100 | 53 | 89 | 317 | 195 | 187 |
| TDA50 | ||||||||||
| TDA75 | 124 | 159 | 120 | 106 | 60 | 86 | 347 | 205 | 194 | 90 |
| TDA100 | ||||||||||
| TDA120 | ||||||||||
| TDA150 | 186 | 127 | 54 | 120 | 402 | 217 | 216 | 96 | ||
| TDA200 | ||||||||||
ÇÑÀÏ»ê¾÷