032-821-2357
Á¦Ç°°Ë»ö
ȸ»ç¼Ò°³
Àλ縻
±â¼úÀÎÁõ
¿À½Ã´Â±æ
Á¦Ç°¼Ò°³
ºÎ½ºÅÍÆßÇÁ
ȾÇü´Ù´ÜÆßÇÁ
ÀÔÇü´Ù´ÜÆßÇÁ
¼öÁß¿À¹è¼öÆßÇÁ
ÇØ¼ö¿ëÆßÇÁ
¹«¼ÒÀ½ÆßÇÁ
¾Ð·ÂÆØÃ¢ÅÊÅ©
°í¿Â°í¾Ð¹ëºê
ÀιöÅÍ
ÆßÇÁ¾Ç¼¼»ç¸®
±â¼úÀÚ·á
¼º´É°î¼± ¼³¸í
±Þ¼öºÎÇϰè»ê¹ý
À¯·®°è»ê¹æ¹ý
¾Ð·ÂÅÊÅ©ÀÇ ¼±Á¤
¼³Ä¡ÁÖÀÇ»çÇ×
¾×ü¿¡ µû¸¥ ¼±Á¤
Ç¥ÁظðÅÍ»ç¾ç
°í°´Áö¿ø
Ä«´Þ·Î±×
CADµµ¸é
ÀÎÁõ¼
½ÂÀÎÀÚ·á
¼îÇθô
¼îÇθô
ºí·Î±×
Á¦Ç°¼Ò°³
Á¦Ç°¼Ò°³ > ºÎ½ºÅÍÆßÇÁ > ÀιöÅÍ ³»Àå °¡¾ÐÆßÇÁ
Á¦Ç°¼Ò°³
ºÎ½ºÅÍÆßÇÁ
ȾÇü´Ù´ÜÆßÇÁ
ÀÔÇü´Ù´ÜÆßÇÁ
¼öÁß¿À¹è¼öÆßÇÁ
ÇØ¼ö¿ëÆßÇÁ
¹«¼ÒÀ½ÆßÇÁ
¾Ð·ÂÆØÃ¢ÅÊÅ©
°í¿Â°í¾Ð¹ëºê
ÀιöÅÍ
ÆßÇÁ¾Ç¼¼»ç¸®
ÀιöÅÍ ³»Àå °¡¾ÐÆßÇÁ
* Ư¡
- ¾Ð·ÂÁ¦¾î°¡ °£ÆíÇÑ ÀιöÅ͹æ½Ä(ȸÀü¼öÁ¦¾î Á¤¾Ð¿îÀü)
- ½ºÅ×Àη¹½º ÆßÇÁ·Î ³ì¹°¹æÁö, ȾÇü±¸Á¶
- Àý¿¬µî±Þ : F / º¸È£µî±Þ : IP55
- KZ-CMIA ½Ã¸®Áî (ÀÚÈí 6M)/K-BJZ100 (ÀÚÈí 8M)
* ÀçÁú
- »þÇÁÆ® : ½ºÅ×Àη¹½º / ÀÓÆç·¯ : ½ºÅ×Àη¹½º
- ÄÉÀÌ½Ì : ½ºÅ×Àη¹½º / ¸ð ÅÍ : ¾Ë·ç¹Ì´½
- À¯Ã¼ ¿Âµµ (ÁÖº¯ ¿Âµµ : 50¡É ÀÌÇÏ)
CMIA : ¼·¾¾ -20 ~ 99¡É / BJZ100 : ¼·¾¾ -20 ~ 50¡É
¿ÜÇüµµ ¹× ¼º´É°î¼±µµ
Ç¥ÁØ»ç¾ç
¸ðµ¨
MOTOR
±¸°æ(A)
±ÇÀåÀ¯·®
±ÇÀå¾çÁ¤
ÃÖ´ë¾çÁ¤
(kW)
(HP)
ÈíÀÔ
ÅäÃâ
(m)
(m))
KZ-CMIA 3-3
0.55
0.75
25A
25A
50
34
42
KZ-CMIA 3-4
0.75
1.0
25A
25A
50
45
56
KZ-CMIA 5-2
0.75
1.0
25A
25A
80
22
59
K-BJZ100
0.75
1.0
25A
25A
30
30
43
* K-BJZ100 ½Ã¸®Áî : ÀÚÈí 6M
* ´Ü»ó220V
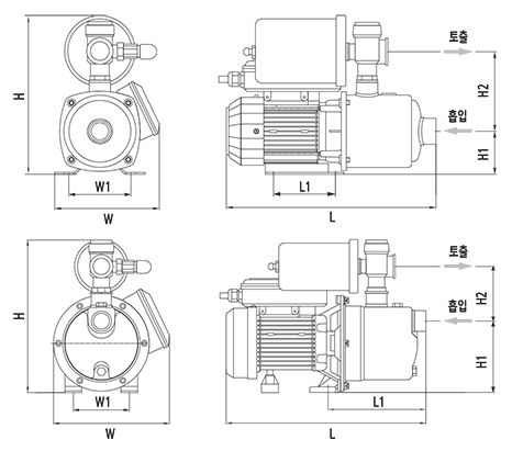
¿ÜÇüÄ¡¼ö
¸ðµ¨
H
H1
H2
W
W1
L
L1
KZ-CMIA 3-3
268
75
135
210
125
314
96
KZ-CMIA 3-4
268
75
135
210
125
358
96
KZ-CMIA 5-2
268
75
135
210
125
340
96
K-BJZ100
274
128
98
208
100
358
197